Самостоятельная чистка кондиционера Lada Largus
30 мин - 1 ч
[[ article.getBookmarkIcon() ]]
Инструмент
Доработка кондиционера, уменшение теплопотерь Lada Largus
[[ article.getBookmarkIcon() ]]
Инструмент
Инструкция по разборке дефлекторов отопителя на месте Lada Largus
[[ article.getBookmarkIcon() ]]
Инструмент
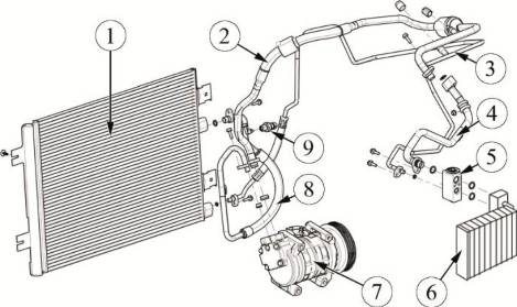
Описание конструкции системы кондиционирования Lada Largus
[[ article.getBookmarkIcon() ]]
Без инструментов
Техническое обслуживание системы кондиционирования Lada Largus
[[ article.getBookmarkIcon() ]]
Инструмент
Снятие и установка конденсатора кондиционера Lada Largus
1 - 3 ч
[[ article.getBookmarkIcon() ]]
Подъёмник
Описание, снятие и установка компрессора кондиционера Lada Largus
1 - 3 ч
[[ article.getBookmarkIcon() ]]
Подъёмник
Снятие и установка трубопроводов кондиционера Lada Largus
3 - 6 ч
[[ article.getBookmarkIcon() ]]
Подъёмник
Снятие и установка блока управления отоплением, вентиляцией и кондиционированием Lada Largus
5 - 30 мин
[[ article.getBookmarkIcon() ]]
Инструмент
Диагностика системы кондиционирования Lada Largus
30 мин - 1 ч
[[ article.getBookmarkIcon() ]]
Инструмент
Устранение течи воды (конденсата кондиционера) в салон Lada Largus
5 - 30 мин
[[ article.getBookmarkIcon() ]]
Подъёмник
Краткая инструкция по установке автокондиционера ФРОСТ на автомобиль Lada Largus
30 мин - 1 ч
[[ article.getBookmarkIcon() ]]
Подъёмник
Описание конструкции системы отопления, вентиляции и кондиционирования Lada Largus
[[ article.getBookmarkIcon() ]]
Без инструментов
Снятие маслоотделителя системы вентиляции картера (16V) Lada Largus
30 мин - 1 ч
[[ article.getBookmarkIcon() ]]
Инструмент
Фильтр по категориям
-
Техническое обслуживание
-
Ходовая часть
-
Трансмиссия
-
Рулевое управление
-
Тормозная система
-
Двигатель
-
Электрооборудование